YTIMFUSE
网站首页
关于我们
加入我们
新闻中心
产品中心
保险丝盒/座
保险丝
温度开关
用户留言
联系我们
搜索
名称
描述
内容
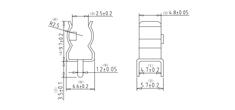
FC-520A保险丝夹
型号:FC-520A
保险丝尺寸:5*20mm/5.2*20mm
额定电流:10A
额定电压:250VAC
材质:黄铜镀锡镍
市场价:
0.00
价格:
0.00
商品信息
商品描述
型号:FC-520A
保险丝尺寸:5*20mm/5.2*20mm
额定电流:10A
额定电压:250VAC
材质:黄铜镀锡镍
优质 高效
优质的客户服务 高效的办事效率
我们专注品质与服务 决胜制高点 细节决定成败
Runoff commanding heights Detail decides success or failure
The commanding heights of
the details determine success or failure